
2800919
SKU
PHX2800919
MPN
CB E1 24DC/6A NC P
Weight
0.035 kg
This product is Not Cancellable/Not Returnable
Series CB-E1
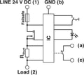
CB E1 24DC/6A NC P - Electronic circuit breaker
Electronic circuit breaker, 1-pos., active current limitation, 1 N/C contact, plug for base element.
- Individually adjustable with protective plugs
- Protective plug with fixed nominal current value as protection against unintentional changes
- Active current limitation to improve the capacity of the upstream power supply
- Increased system transparency with integrated remote message function
Technical Specifications
Notes
| General | When mounted in rows without convection cooling, the nominal device current should only be led to a maximum of 80% due to the thermal effect during continuous operation (100% operating factor).Special precautionary measures must be taken in systems or machines, to prevent components from restarting (e.g., use of a safety PLC).Parallel connection of multiple circuit breakers is not permitted. |
Product properties
| Product family | CB E |
| Type | Male |
| Number of Positions | 1 |
| No. of channels | 1 |
Insulation characteristics
| Degree of pollution | 2 |
General
| Operating Voltage | 24 V DC |
| Operating Voltage | 18 V DC ... 30 V DC |
| Nominal current IN | 6 A |
| Rated surge voltage | 0.5 kV |
| Tripping method | E (electronic) |
| Required backup fuse | not required, integrated failsafe element |
| Dielectric strength | max. 30 V DC (Load circuit) |
| Active current limitation | typ. 1.25 x IN |
| Fuse | electronic |
| Closed circuit current I0 | typ. 8 mA (When switched on) |
| Closed circuit current I0 | typ. 17 mA (With alarm output) |
| Power dissipation | 1.19 W (Nominal operation) |
| Temperature derating | 5 A (at 50 °C) |
| MTBF (IEC 61709, SN 29500) | 8320000 h (at 25 °C with 80 % load) |
| MTBF (IEC 61709, SN 29500) | 7410000 h (at 40 °C with 80 % load) |
| Voltage drop | 130 mV (at IN) |
| Fail-safe element | 10 A DC |
Load circuit
| Shutdown time | 130 ms (see time/current characteristic curve) |
| Undervoltage switch-off | < 14 V (typ. OFF) |
| Undervoltage switch-off | > 17 V (typ. ON) |
| Max. capacitive load | 20000 µF |
Auxiliary contact
| Contact connection type | floating signal contact |
| Minimum operating voltage Umin DC | 10 V DC |
| Maximum operating voltage Umax DC | 30 V DC |
| Minimum operating current Imin | 10 mA |
| Max. operating current Imax | 0.5 A |
Connection data
| Connection Method | pluggable |
Dimensions
| Width | 12.3 mm |
| Height | 45 mm |
| Depth | 52 mm |
| Complete module width | 12.3 mm |
| Complete module height | 90 mm |
| Complete module depth | 77.3 mm |
Material specifications
| Color | gray (RAL 7042) |
| Color | black (RAL 9005) |
| Flammability rating according to UL 94 | V-0 |
Ambient conditions
| Degree of Protection | IP30 (Actuation area) |
| Ambient Temperature (Operation) | -25 °C ... 50 °C (non-condensing) |
| Ambient temperature (storage/transport) | -40 °C ... 70 °C |
| Humidity test | 96 h, 95 % RH, 40 °C |
| Vibration (Operation) | 3g (according to IEC 60068-2-6, Test Fc) |
UL approval
| Identification | UL Listed UL 508 |
| Identification | UL Recognized UL 2367 |
Shipbuilding approval
| Identification | DNV GL |
Standards and Regulations
| Standard designation | EMV |
| Standards/specifications | EN 61000-6-3 |
| Note | Interference emission |
| Standard designation | EMV |
| Standards/specifications | EN 61000-6-2 |
| Note | Noise immunity |
Mounting
| Mounting Type | on base element |
Accessories
Why Proax for Phoenix Contact 2800919?
Proax is an authorized distributor of Phoenix Contact 2800919 and one of Phoenix Contact's largest distributors in North America. Our highly skilled in-house technical team is ready to assist with any technical needs.
Have a question in mind? to help you get the right product as quickly as possible for your project. We're always here to help!
Short Lead Time
Highly Trained Staff
Live Chat
Technical Support
Local Inventory
60+ Years Experience
Additional Information
| Pack Size | 1 |
Recommended



















